Moniteurs de batteries Microlog DMM-3 / DMM-4: |
Contrôlez le courant CC et vos batteries
grâce à notre système de mini moniteurs à très basse consommation:
|
| Nous avons conçu le parfait petit indicateur de condition du système CC et des batteries.La plus basse consommation de courant sur le marché: 1,8 mA (0.0018A), vous pouvez le laisser en fonction en permanence*. |
DMM-3-BR12 de précision pour 2 batteries eu une entrée Ampères:
Parfait pour voilier, petit bateau et véhicule
CAD 69$
DMM-4-BR12 de précision pour 2 batteries eu une entrée Ampères:
Parfait pour bateau moteur et VR de luxe CAD 75$ 
|
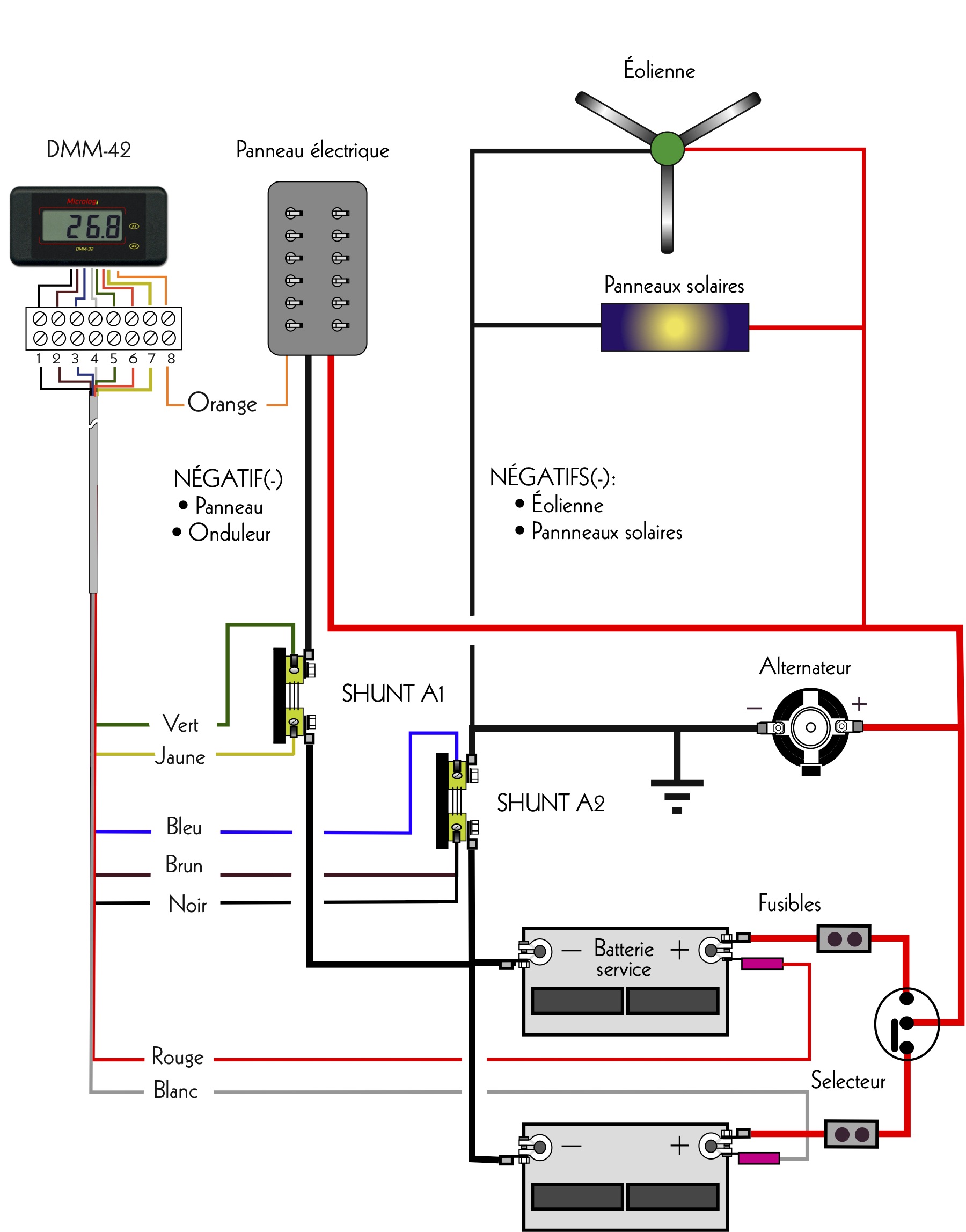
Le système de mesure Microlog™ DMM-3 ou DMM-4 est constitué d’un instrument numérique et d’un shunt qui vous permettra de mesurer la tension (voltage) de un, deux ou trois groupes de batterie. Il permet aussi, la mesure du courant en "Ampère", provenant des appareils de charge (alternateur, éolienne, etc...) et des appareils qui déchargent les batteries.
La mesure de la tension :
Le Microlog™ DMM-3/4 permet la mesure de la tension, c’est-à-dire la différence de potentiel (voltage) entre les bornes positives et négatives des batteries. Le niveau de tension au repos est un des moyens les plus sûrs de savoir le niveau de charge de vos batteries. Un niveau de tension de 11,7 Volts (sans charge ou décharge de la batteire) indique que la batterie est complètement déchargée alors qu’un niveau de tension de 12,7 Volts indique que la batterie est complètement chargée (12,9 V pour les batteries à cellule gélatineuse).
La mesure du courant :
Le Microlog™ DMM-3/4 peut être configuré pour lire a valeur NETTE du courant de charge instantané généré par les appareils de charge MOINS le courant instantané consommé par tous les appareils branchés au panneau électrique. Il peut aussi être installé de façon à lire le courant de charge ou de décharge seulement. Le flot de courant est indiqué par le signe « + » ou « - » respectivement. La mesure du courant se fait en créant une différence minime de potentiel (de 0 à 100 millivolts) dans un «shunt» par le passage du courant électrique à travers celui-ci. Il peut aussi être configuré pour lire la consommation électrique par le panneau de distribution et onduleur ou la valeur du courant de charge de un ou tous les chargeurs.
Les étapes de la charge des batteries :
On peut surveiller les étapes de la charge des batteries grâce à l’ampèrage de charge et les entrées de tension sur le Microlog™ DMM-3/4.
 |
DMM-42-BR12 de précision pour 2 batteries eu 2 entrées Ampères: Mesurez le courant de charge séparément du courant de décharge
Parfait pour Bateau ou VR
CAD 99$
 |
 |
Caractéristiques et avantages:
• Protège vos batteries contre la décharge profonde
• Mesure précise de la tension de une, 2 ou 3 batteries
• Mesure le courant de charge, décharge ou Nette du système
• Mesure la tension jusqu'a 20VDC avec résolution de 0.01V
• Mesure le courant jusqu'a 200Amp. avec résolution de 0.1A
• La plus basse consommation de courant sur le marché: 1,8mA
• Changement de fonction en appuyant sur le bouton respectif
• Afficheur rétro-éclairé en Rouge
• Façade très résistante en LEXAN®
• Traitement anti-corrosion du circuit
• Visserie en inox pour environnement marin
• Montage en surface des composantes
• Garantie limitée de deux ans |
Spécifications Microlog DMM-3-BR12 et DMM-4-BR12:
| Gamme de mesure voltage: |
10,0 -19.9 volts |
| Résolution(Volts): |
0,01 Volt |
| Précision de la mesure: |
± 0,02 volts (20ºC) |
| Gamme de mesure courrant: |
0-200 Ampères |
| Résolution(Ampères): |
0,1 amps(200A shunt) |
| Précision de la mesure: |
0,1 Ampères (20oC) |
| Courant d'opération éclairage: |
1,8 mA |
| Température d'opération: |
0ºC à 40oC |
| Température de remisage: |
-30 à +60oC |
| Dimensions: |
3.52" W. x 1.77" H. x 0.735" D.
8,94 cm x 4,49cm x 1,87 cm
|
*(le débrancher lors de l'hivernage cependant)
Kits de shunt et de câblage SWK-101 ou SWK-201 requis pour mesure du courant. Voir nos kits de mesure ci-bas: |
Kits de câblage et de shunt :
|
 |
Kits de shunt et de câblage requis pour lecture du courant:
Un shunt est nécessaire afin de mesurer les ampères avec votre DMM (vous pouvez acheter juste le DMM, si vous avez uniquement besoin de mesure tension).
Il est généralement placé en ligne sur le fil négatif de la batterie d'accumulateurs pour avoir la valeur de courant nette, i.e. la différence entre ce qui entre et sort des batteries. (Il pourrait aussi être placés en série avec le fil négatif provenant d'un générateur solaire - ou toute autre source de charge - dans ce cas il ne mesurent que le panneau solaire ou éolienne actuelle. Le shunt doit être placé à proximité des batteries. Puisque ces fils transportent des courants très élevés, les fils des batteries doivent être courts afin de minimiser les pertes électriques.
|
Ensemble de shunts de 100A et filage SWK-101 pour DMM-3-BR12 et DMM-4-BR12:
CAD 40$
• Mesure le courant de charge, décharge ou nette du système.
(jusqu'a 100A @ 0.1A de Résolution). Le kit SWK-101 est suffisant pour un alternateur jusqu'a 65 Amp et inverseurs de 800 W.
Kits incluant: • Shunt 100 A • Cable 20 pieds en PVC, étamé et flexible • Connecteurs-fusibles et visses
| Specifications: |
|
| Limite de courant continue: |
65 Amp. |
Limites de surcharge (25°C): |
100 Amp. 8 sec/min. MAX
|
| Dimensions: |
2.00" L. x 1.25" W. x 1.75" D
5,1 cm x 3,2 cm x 4,4 cm. |
|
|
|
Ensemble de shunts de 200A et filage SWK-201 pour DMM-3-BR12 et DMM-4-BR12 CAD 50$:
• Mesure le courant de charge, décharge ou nette du système. (jusqu'a 200A @ 0.1A de Résolution). Le kit SWK-201 est suffisant pour un alternateur jusqu'a 65 Amp et inverseurs de 2000 W.
Kits incluant:
• Shunt 200 A
• Cable 20 pieds en PVC, étamé et flexible
• Connecteurs-fusibles et visses
Specifications:
|
|
| Limite de courant continue: |
135 Amp. |
Limites de surcharge (25°C): |
200 Amp. 8 sec/min. MAX
|
| Dimensions: |
3.25" L. x 1.75" W. x 1.75" D
8,2 cm x 4,4 cm x 4,4 cm. |
|
|
|
Fusibles-connecteurs de rechange: CAD 5$
Ces fusibles sont requis et fortement suggérés pour protéger le cablage de la batterie au DMM. Ils protègent aussi l'instrument des surtensions. |
|